10 years to upgrade the value of thousands of enterprises
機臺型號: ZB-810型
玻璃拉力試驗機
一.玻璃拉力試驗機概述
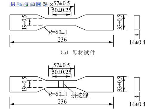
玻璃拉力試驗機是針對有機玻璃、鋼化玻璃等材料力學特性而研發的一款專用設備。玻璃材料具有強度高、延展性差等特點,有些脆性玻璃在測試過程中需加裝防護網,以免發生傷人事故。玻璃片材試樣制備應參照ASTM D638規范中規定的尺寸(見下圖),使用專用夾持器夾持,且試片兩端需墊PVC薄片,避免夾持器損傷片材而發生測試結果不準確的情況。
二.玻璃拉力試驗機性能
A.采用高精度美國傳力力量傳感器,具有精度高,線性好等優點。
B.動力系統采用松下伺服電機+松下伺服驅動器+滾珠絲桿+行星鋁制減速機+同步帶傳動,運行平穩,無噪音。
C.數據傳輸方式為USB傳輸,方便快捷。
D.測試軟件可實現定速度、定位移、定荷重、定荷重增率、定應力增率、定應變增率等控制模式,滿足不同的測試要求。
E.安全設施專業化,具有過載自動保護停機、上下行程限位保護停機、 漏電自動斷電保護。
F.雙報表編輯,內建EXCEL完全開放式報表,供測試者選擇自己喜好的報表格式。
G.各長度、力量單位采用互換方式,力量單位T、Kg、N、KN、g、lb,變形單位mm、cm、inch。
H.測試結束自動存檔、并根據試驗要求自動得出力量、屈服強度、抗拉強度、彈性模量、延伸率、彎曲模量等等數據。
I.具有10多種語言切換功能。
三.玻璃拉力試驗機參數
A. 傳感器量程: 20-50KN 區間選配
B. 試驗力示值分辨率: 1/300000
C. 試驗力示值誤差: ±0.5%
D. 引伸計示值誤差: ±0.5%(選配)
E. 位移速率范圍: 0.001-500mm/min
F. 試驗空間: 900mm(含夾持器)
G. 測試寬度: 400mm
H. 專用電腦: 清華同方品牌機/19寸液晶顯示器/專用軟件
I. 電源: 220V /50HZ
J. 功率: 1.0KW
K. 機臺尺寸: 約640×720×2000 mm長×寬×高。
L. 機臺重量: 約380Kg。
四.玻璃拉力試驗機片材試樣尺寸
